| Код теплообменника | GLC1 – 2.6/1.6T |
| Максимальный расход (л/мин) | 35 - 125 л/мин |
| Площадь теплосъема (м²) | 2,6 м² |
| Максимальное рабочее давление (бар) | 16 бар |
| Максимальная рабочая температура (°С) | 99° С |
| Отверстия входа и выхода | вход G 1" / выход G 1" |
| Производитель | Китай |
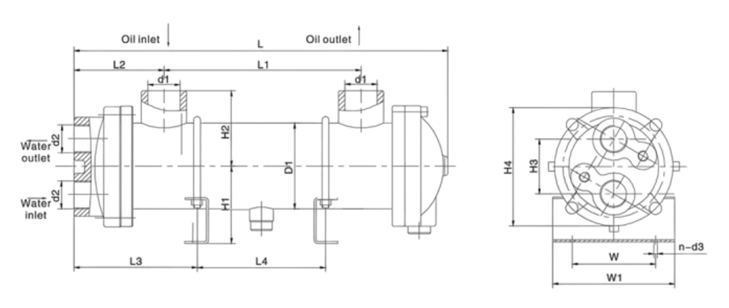
Теплообменник (Маслоохладитель) водяной серия GLC — это устройство для охлаждения рабочей гидравлической жидкости потоком охлаждающей жидкости (воды). Поверхность теплообмена сформирована из труб, заключенных в кожух, а теплообмен осуществляется через поверхность этих труб. Трубки теплообмена выполнены из меди, для обеспечения лучшей теплопередачи. Маслоохладитель серия GLC устанавливается в сливной магистрали или в отдельном контуре циркуляции охлаждаемой жидкости.
Системы водяного охлаждения не только очень эффективны, они часто имеют низкие первоначальные затраты, а также бесшумны и компактны. Эти типы систем также очень мало зависят от температуры и качества окружающего воздуха, практически не влияя на охлаждающую способность, что идеально подходит, если вы ищете высокий уровень стабильности. Температура эксплуатации –40°С…+100°С.

|
№ |
Обозначение |
Расшифровка значений |
|
|
1 |
СЕРИЯ |
GLC |
Теплообменник (Маслоохладитель) водяной |
|
2 |
РАЗМЕР КОРПУСА |
2 |
От 1 до 5 |
|
3 |
ПЛОЩАДЬ ТЕПЛОСЪЕМА |
2.6 |
2.6 м² (для размера 2) |
|
4 |
МАКСИМАЛЬНОЕ РАБОЧЕЕ ДАВЛЕНИЕ |
1.6 |
1.6 = 1.6 МПа (16 бар) (стандарт) |
|
5 |
ИСПОЛНЕНИЕ ПОРТОВ |
Т |
Т = резьбовые (стандарт) |


Теплообменник необходимо хранить в закрытом сухом помещении при температуре от 0°C до +30°C и относительной влажностью на более 80%. Не допускайте попадания на изделие прямого солнечного света. Запрещается подвергать изделие воздействию огня и тепла, а также механическому воздействию (ударам) по корпусу. Монтаж должен производиться только подготовленными специалистами. Площадь теплосъема от 0.4 м² до 54 м², расход в масляном контуре от 10 до 1100 л/мин. Максимальное давление 1.6 МПа (16 бар). Температура эксплуатации –40°С…+100°С.
|
Производитель |
Серия теплообменника |
|
Sesino (Италия) |
MS… |
|
OMT (Италия) |
SA… |
| Код теплообменника | GLC1 – 2.6/1.6T |
| Максимальный расход (л/мин) | 35 - 125 л/мин |
| Площадь теплосъема (м²) | 2,6 м² |
| Максимальное рабочее давление (бар) | 16 бар |
| Максимальная рабочая температура (°С) | 99° С |
| Отверстия входа и выхода | вход G 1" / выход G 1" |
| Производитель | Китай |