| Код теплообменника | CSLV5.G.A.00 |
| Номинальная мощность теплопередачи при разнице температур 40°С | 32 кВт |
| Максимальный расход (л/мин) | 180 л/мин |
| Напряжение электровентилятора (В) | G- привод вентилятора гидромотором |
| Направление движения воздуха | А-всасывающий вентилятор |
| Давление открытия байпасного клапана (бар) | 6 бар |
| Максимальное рабочее давление (бар) | 19 бар |
| Максимальная рабочая температура (°С) | 120° С |
| Отверстия входа и выхода | G1 1/4 |
| Производитель | ГидроСтанок |
Теплообменник воздушно-масляный предназначен для охлаждения жидкости путем отвода тепла от жидкости в окружающий воздух. Теплообменник состоит из радиатора и электровентилятора.
Байпасный клапан защищает радиатор от чрезмерного давления в случае: превышения расхода жидкости сверх допустимого, засорения радиатора, при запуске при отрицательной температуре окружающего воздуха.
Имеется два исполнения электровентилятора: “А”- всасывающее и “B”- нагнетающее.
Установочные ножки не съемные.
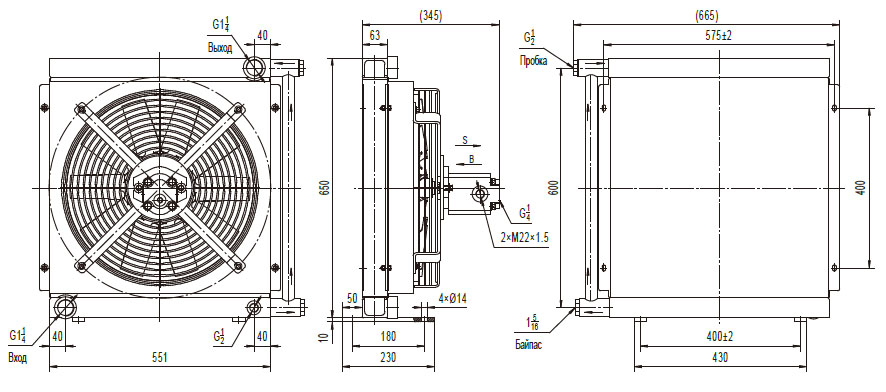
ЧЕРТЕЖ

ГРАФИК РАБОЧИХ ПАРАМЕТРОВ

ТЕРМОРЕЛЕ

| Код теплообменника | CSLV5.G.A.00 |
| Номинальная мощность теплопередачи при разнице температур 40°С | 32 кВт |
| Максимальный расход (л/мин) | 180 л/мин |
| Напряжение электровентилятора (В) | G- привод вентилятора гидромотором |
| Направление движения воздуха | А-всасывающий вентилятор |
| Давление открытия байпасного клапана (бар) | 6 бар |
| Максимальное рабочее давление (бар) | 19 бар |
| Максимальная рабочая температура (°С) | 120° С |
| Отверстия входа и выхода | G1 1/4 |
| Производитель | ГидроСтанок |